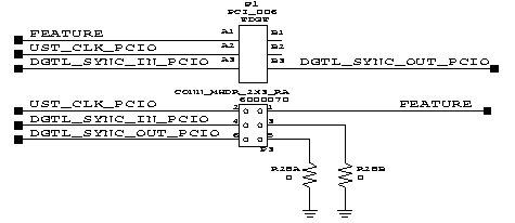
Here is a snipit from the Radical Schematic that shows the pinouts for the two "feature" connectors on the -002 versions of the Radical card. The -001 board did not have the 6 pin header connector used to connect the card to the PCI motherboard in the O200. If you really want to connect your older -001 boards to the O200, you could make a cable that connects the original 6 pin edge connector to the 6 pin header on the O200 PCI motherboard. Of course this is unsupported, but if you are desperate, here is how you do it.

The signal called "Feature" is grounded on the motherboard and activates a mux on the Radical card to switch the UST counter clock from the 33MHz PCI clock to the 1.25MHz UST master clock provided by the system. The software detects at startup which clock is connected and loads the dividers in RAD accordingly. The digital sync in and out are the "ksync" connections and route the TV style black from one card to the other (Only its not really video levels at this point, its a 5 volt H rate signal with the vertical pulse encoded in).
For more info, read Radical in the Origin 200.